專注聯軸器研發與制造 打造聯軸器行業領軍品牌
WGP鼓形齒聯軸器產品介紹:
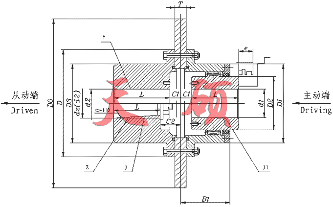
WGP鼓形齒聯軸器,內齒圈較寬,能補償較大的軸線偏移,適用于與盤式制動器配套的場合,允許正、反方向回轉。其結構型式見下圖,基本參數和主要尺寸見下表。
一般情況下,PGCLZ型聯軸器應與GICLZ型聯軸器配對使用,外齒軸套端與中間軸聯接,兩端半聯軸器則分別與工作機軸和動力機軸聯接。由于制動盤與半聯軸器連接在一起,制動盤的重量以及工作制動負荷與振動完全由半聯軸器承受,改善了制動時鼓形齒的嚙合性能,因此適用于重載場合,傳遞公稱轉矩為630~112000 N·m。 為增強潤滑密封效果、減少零件數量,提高運行可靠性,特別建議:PGCLZ型帶制動盤鼓形齒式聯軸器選用密封端蓋與內齒圈作成一體的整體結構型式。
WGP鼓形齒聯軸器的結構型式

WGP鼓形齒聯軸器的基本參數和主要尺寸

注:1. 聯軸器質量和轉動慣量是按各型號中最小軸孔直徑和最大軸孔長度計算的近似值,未計算制動盤;
2. 聯軸器的最大制動力矩Tm 不得超過公稱轉矩Tn 的1.2倍,即Tm ≤1.2Tn ;
3. 聯軸器軸孔組合有Z1 /J1 , Y/Y , J1 /J1 , Y/J1;
4. e為更換密封所需尺寸;